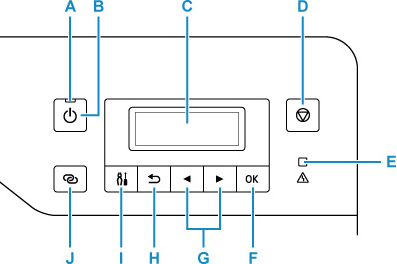
Bảng thao tác

- A: Đèn nút BẬT(ON)
- Đèn sáng sau khi nhấp nháy khi bật nguồn.
- B: Nút BẬT(ON)
-
Bật hoặc tắt nguồn.
- C: LCD (Màn hình tinh thể lỏng)
- Hiển thị thông báo, mục menu và trạng thái hoạt động.
- D: Nút Dừng(Stop)
- Hủy thao tác khi đang in hoặc khi chọn mục menu.
- E: Đèn Cảnh báo(Alarm)
- Sáng hoặc nhấp nháy khi xảy ra lỗi.
- F: Nút OK
- Hoàn tất việc chọn mục. Cũng được sử dụng để giải quyết lỗi.
- G: Nút
và 
- Được sử dụng để chọn mục cài đặt. Các nút này cũng được sử dụng để nhập ký tự.
- H: Nút Quay lại(Back)
- Trả LCD về màn hình trước đó.
- I: Nút Thiết lập(Setup)
- Hiển thị màn hình Menu thiết lập(Setup menu). Với menu này, bạn có thể thực hiện bảo trì máy in và thay đổi cài đặt máy in. Cũng được sử dụng để chọn chế độ nhập.
- J: Nút Kết nối không dây(Wireless connect)
- Để đặt thông tin bộ định tuyến không dây trong máy in trực tiếp từ một smartphone hoặc thiết bị tương tự khác (không cần thực hiện bất kỳ quy trình nào ở bộ định tuyến), nhấn giữ nút này.

